型號:SDL-XQ94126A-24L1.7
產品使用對象:大學磁場研究
產品執行功能:做平行磁場
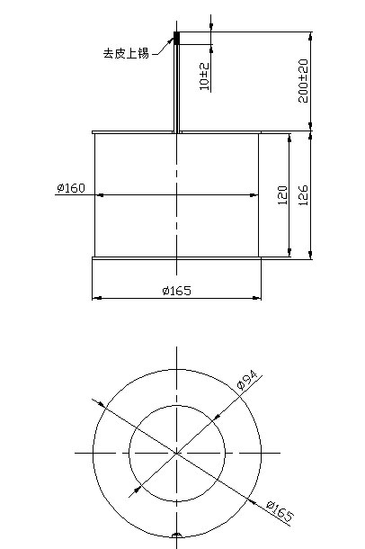
平等磁場電磁螺線管參數
| 電壓: | DC24V | 高度: | 120MM | 電阻: | 1.7歐 | 壽命: | |
| 電流: | 14A | 通電率: | 耐溫: | 功率: | |||
| 線圈高斯: | 450GS | 外徑: | 160MM |
平等磁場電磁螺線管產品詳情
平等磁場電磁螺線管
型號:SDL-XQ94126A-24L1.7
參數
電壓:DC24V
電流:14A
高斯:450GS
電阻:1.7歐
高:120MM
內經:100MM
外經:160MM
產品使用行業:大學磁場研究
產品執行功能:做平行磁場
拓展適用行業:自動化設備,大學科研



廣州思德隆電子有限公司(http://www.foshan3d.com.cn)創立于2005年,是一家專業生產研發電磁線圈等各類電磁產品,擁有豐富行業經驗的電磁線圈廠家。品種多樣,規格齊全,產品從零部件到成品組裝均有自己的加工設備以及產生線,擁有高精密度檢測儀器和自主研發的老化設備,已通過(ISO9001認證)專業制造電磁閥線圈從產品設計到樣品以及量產,均有量化高效的工藝流程及老化實驗檢測,保證了產品的質量與訂單的按時交貨。
關鍵詞:平等磁場電磁螺線管
| 上一篇:磁力感應電磁鐵線圈定制 |
| 下一篇:測試實驗螺線管電磁線圈 |









