型號:SDL-XQ0843A-24L10
產品使用對象:游戲機
產品執行功能:牽引
24V游戲機電磁鐵線圈參數
| 電壓: | DC24V | 高度: | 電阻: | 10歐 | 壽命: | 20萬 | |
| 電流: | 2.4A | 通電率: | 5% | 耐溫: | 功率: | 57.6W | |
| 線圈高斯: | 外徑: |
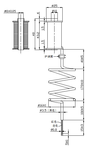
24V游戲機電磁鐵線圈產品詳情
24V游戲機電磁鐵線圈定制
型號:SDL-XQ0843A-24L10
參數:
行程:15MM
電壓:DC24V
電流:2.4A
初始力:150G
通電率:5%
壽命:20萬
單次通電時間:3S
電阻:10歐
功率:57.6W
產品使用行業:游戲機
產品執行功能:牽引
拓展適用行業:電磁線圈
產品特點:頻率快,壽命長。



廣州思德隆電子有限公司(http://www.foshan3d.com.cn)創立于2005年,是一家專業生產研發電磁鐵定制加工,電磁閥定制,電磁線圈,小型電磁鐵等各類電磁產品,擁有豐富行業經驗的廣州電磁鐵廠家、廣州電磁閥廠家、電磁線圈廠家。品種多樣,規格齊全,產品從零部件到成品組裝均有自己的加工設備以及產生線,擁有高精密度檢測儀器和自主研發的老化設備,已通過(ISO9001認證)專業制造24V游戲機電磁鐵線圈定制從產品設計到樣品以及量產,均有量化高效的工藝流程及老化實驗檢測,保證了產品的質量與訂單的按時交貨。
http://www.foshan3d.com.cn/elinfo-164.html
http://www.foshan3d.com.cn/elinfo-165.html
http://www.foshan3d.com.cn/elinfo-166.html
http://www.foshan3d.com.cn/elinfo-167.html
關鍵詞:24V游戲機電磁鐵線圈
| 上一篇:娃娃機抓煙機配件用電磁線圈 |
| 下一篇:48V娃娃機通電抓東西電磁線圈 |









