按應用分類
型號:SDL-O1245A-24S28.8
產品使用對象:游戲機游戲槍
產品執行功能:擊發器(點擊連擊)
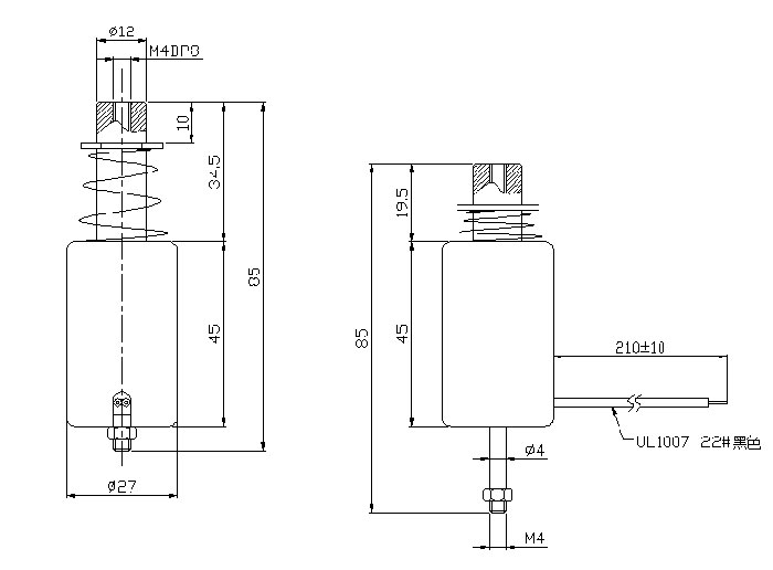
高頻游戲槍擊發電磁鐵參數
| 電壓: | DC24V | 行程: | 15MM | 電阻: | 28.8歐 | 功率: | 40W |
| 耐溫: | 壽命: | 50萬次 | 耐電壓: | 初始力: | 0.5KG | ||
| 電流: | 0.83A | 通電率: | 50% | 彈簧回力: | 吸力: |
高頻游戲槍擊發電磁鐵產品詳情
高頻游戲槍擊發電磁鐵
型號:SDL-O1245A-24S28.8
參數
行程:15MM
電壓:DC24V
電流:0.83A
電阻:28.8歐
功率:40W
初始力:0.5KG
通電率:50%
壽命:50萬次
單次通電時間:0.2S
反應速度:2.5次/秒
環境溫度:30℃
溫升要求:小于等80℃
產品使用行業:游戲機游戲槍
產品執行功能:擊發器(點擊連擊)
拓展適用行業:自動擊發與自動脫落
產品特點:體積小,靈敏度高,高頻強力



廣州思德隆電子有限公司(http://www.foshan3d.com.cn)創立于2005年,是一家專業生產研發電磁鐵定制加工,電磁閥定制,電磁線圈,小型電磁鐵等各類電磁產品,擁有豐富行業經驗的廣州電磁鐵廠家、廣州電磁閥廠家、電磁線圈廠家。品種多樣,規格齊全,產品從零部件到成品組裝均有自己的加工設備以及產生線,擁有高精密度檢測儀器和自主研發的老化設備,已通過(ISO9001認證)專業制造游戲機電磁鐵加工/透鏡電磁鐵從產品設計到樣品以及量產,均有量化高效的工藝流程及老化實驗檢測,保證了產品的質量與訂單的按時交貨。
關鍵詞:高頻游戲槍擊發電磁鐵
| 上一篇:流水線垂直升降電磁鐵 |
| 下一篇:框架推拉式電磁鐵 |






