按應用分類
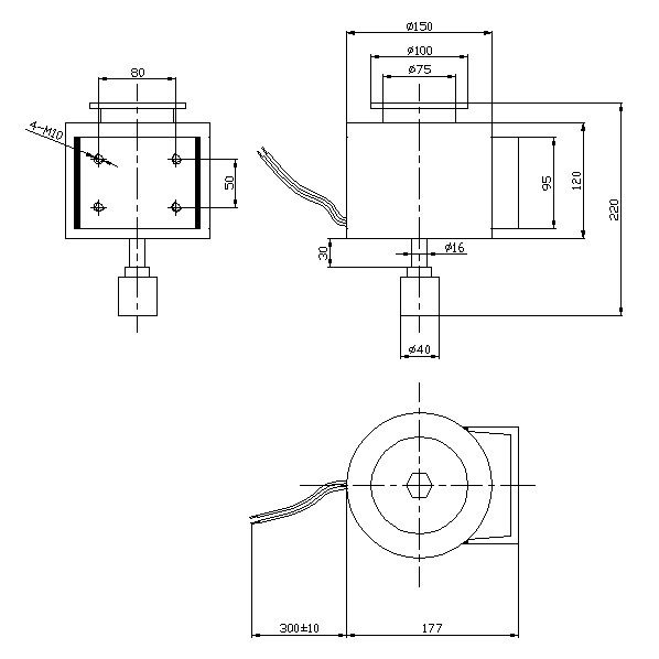
型號:SDL-o75150B-220S200
產品使用對象:機械自動化
產品執行功能:推拉
機械自動化設備用圓管推拉式電磁鐵參數
| 電壓: | DC220V | 行程: | 20~30MM | 電阻: | 200 | 功率: | 242W |
| 耐溫: | 壽命: | 10萬次 | 耐電壓: | 初始力: | 20KG | ||
| 電流: | 1.1A | 通電率: | 10% | 彈簧回力: | 吸力: | 20KG |
機械自動化設備用圓管推拉式電磁鐵產品詳情
機械自動化設備用圓管推拉式電磁鐵
型號:SDL-o75150B-220S200
參數
行程:20~30MM
電壓:DC220V
電流:1.1A
電阻:200
功率:242W
初始力:20KG
通電率:10%
壽命:10萬次
單次通電時間:瞬間
產品使用行業:機械自動化
產品執行功能:推拉
拓展適用行業:自動生產線電磁鐵
產品特點:體積小,力量大。



http://www.foshan3d.com.cn/coinfo-40.html
http://www.foshan3d.com.cn/coinfo-39.html
http://www.foshan3d.com.cn/elinfo-183.html
http://www.foshan3d.com.cn/elinfo-182.html
廣州思德隆電子有限公司(http://www.foshan3d.com.cn/)創立于2005年,是一家專業生產研發電磁鐵定制加工,小型電磁鐵等各類電磁產品,擁有豐富行業經驗的廣州電磁鐵廠家、電磁閥廠家。品種多樣,規格齊全,產品從零部件到成品組裝均有自己的加工設備以及產生線,擁有高精密度檢測儀器和自主研發的老化設備,專業制造機械自動化設備用圓管推拉式電磁鐵從產品設計到樣品以及量產,均有量化高效的工藝流程及老化實驗檢測,保證了產品的質量與訂單的按時交貨。
關鍵詞:圓管推拉式電磁鐵
| 上一篇:游戲機用大行程框架式推拉電磁鐵 |
| 下一篇:48V強力圓管式推拉電磁鐵定制 |






