按應用分類
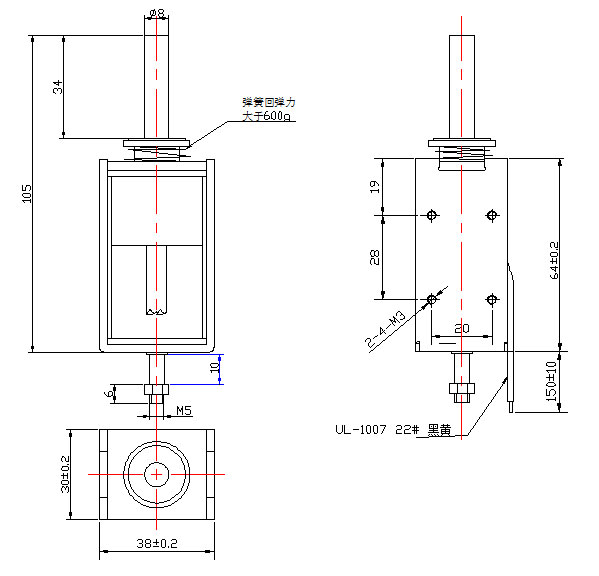
型號:SDL-U1564A-24S32
產品使用對象:電梯安全裝置緊急制動
產品執行功能:推動安全裝置部件
電梯安全裝置觸發電磁鐵參數
| 電壓: | DC24 | 行程: | 10mm | 電阻: | 32歐 | 功率: | 通電10min斷1s |
| 耐溫: | 155度 | 壽命: | 50萬次 | 耐電壓: | 1500V | 初始力: | 600G |
| 電流: | 通電率: | 彈簧回力: | 600g | 吸力: | 6N |
電梯安全裝置觸發電磁鐵產品詳情
電梯安全裝置制動電磁鐵-SDL-U1564
此款電磁鐵彈簧回彈力度600g,克服彈簧力度,長時間通電,電磁鐵發熱能夠順利吸合,提供2H,4H,8H,16H,24H,48H電磁鐵
產品亮點:長時間通電,運動順暢,最低吸合電壓可為20V(溫度穩定后)


廣州思德隆電子有限公司(http://www.foshan3d.com.cn)創立于2005年,是一家專業生產研發電磁鐵,電磁閥,電磁線圈,小型電磁鐵等各類電磁產品,擁有豐富行業經驗的廣州電磁鐵廠家、廣州電磁閥廠家、廣州電磁線圈廠家。品種多樣,規格齊全,產品從零部件到成品組裝均有自己的加工設備以及流水線,擁有高精密度檢測儀器和自主研發的老化設備,電梯安全裝置制動電磁鐵從產品設計到樣品以及量產,均有量化高效的工藝流程及老化實驗檢測,保證了產品的質量與訂單的按時交貨。
關鍵詞:制動電磁鐵,電梯安全裝置電磁鐵,電梯安全制動電磁鐵






