| 電壓: | DC24V | 行程: | 2MM | 電阻: | 功率: | ||
| 耐溫: | 壽命: | 1千萬次 | 耐電壓: | 初始力: | 2KGF | ||
| 電流: | 2.86A | 通電率: | 5% | 彈簧回力: | 吸力: |
擺動式電磁鐵定制_工控自動分揀電磁鐵
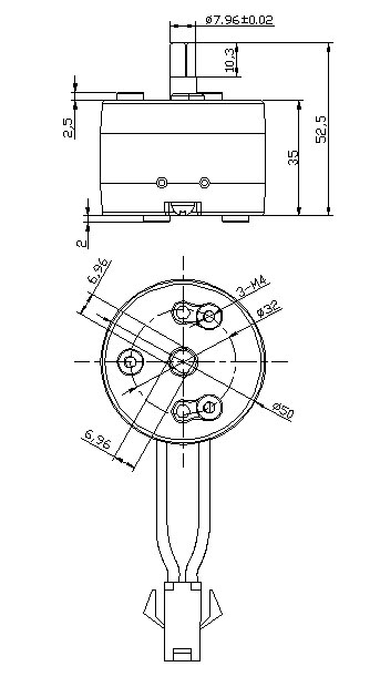
型號:SDL-BD0835A-24L8.4
參數
行程:2MM
電壓:DC24V
電流:2.86A
初始力:2KGF
通電率:5%
壽命:1千萬次
反應速度:10次/秒
環境溫度:負20到30度
產品使用行業:游戲機震感仿真
產品執行功能:高速翻轉、分揀、震動
拓展適用行業:自動分揀機械、快門控制
產品特點:雙向旋轉,自保持,扭力大,20MS響應時間,1000萬次壽命。




廣州思德隆電子有限公司(http://www.foshan3d.com.cn/)創立于2005年,是一家專業生產研發電磁鐵定制加工,電磁閥定制等各類電磁產品,擁有豐富行業經驗的廣州電磁鐵廠家、廣州電磁閥廠家。品種多樣,規格齊全,產品從零部件到成品組裝均有自己的加工設備以及產生線,擁有高精密度檢測儀器和自主研發的老化設備,已通過(ISO9001認證)專業制造擺動式電磁鐵定制_工控自動分揀電磁鐵從產品設計到樣品以及量產,均有量化高效的工藝流程及老化實驗檢測,保證了產品的質量與訂單的按時交貨。
http://www.foshan3d.com.cn/elinfo-200.html
http://www.foshan3d.com.cn/elinfo-199.html
http://www.foshan3d.com.cn/elinfo-198.html
http://www.foshan3d.com.cn/elinfo-197.html
http://www.foshan3d.com.cn/elinfo-196.html
| 上一篇:銀行ATM取款機用擺動式電磁鐵 |
| 下一篇:旋轉擺動電磁鐵 |




